Model: SS-294A

This stainless steel mount locks into any of the stake hole pockets along the edge of a pick-up truck bed. There is no need to drill any holes in the vehicle. The mount can be used on bed rails with protective covers (such as those on the newer Ford Super-Duty trucks). Because of the stud mount configuration on this mount, it can only be used on trucks where there is inside access to the stake hole pocket (from side or bottom) for the coaxial cable to be routed to the mount. In some cases, this might require that the coax be routed through an opening that is too small for a PL-259 connector to pass. In those cases, the PL-259 will need to be installed after the coax has been routed. The mount will easily support heavy-duty antennas up to 4 feet (1.2m) in length.

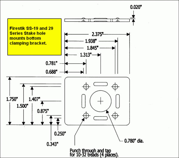
Click here to outer bracket dimension details.

Click here to see clamp bracket dimension details.

Note: With the exception of being able to correct for slight bed rail tilt using gasket material or a fabricated wedge of sorts, this mount does not contain angular adjustments. The top of the bed rail needs to be close to the horizontal plane to prevent the antenna from leaning inward or outward when viewed from the front or back of the vehicle.

The mount comes complete with our world famous heavy-duty SO-239 antenna stud. Standard PL-259 terminated coaxial cables are to be used with this mount. Firestik recommends the use of 18ft (5.5m) RG-58A/U high quality coaxial cable with all of their fiberglass antennas. Coaxial cable assembly model K-8A would be the recommended cable to use with this mount when using a single antenna or, model K-9A if running twin (co-phased)antennas.

If you do not have inside access to the stake hole pocket, Firestik also manufactures a mount and coaxial cable mini-kit for this type of installations. The mini-kit features the low-profile Firestik exclusive FireRing terminated coaxial cable. To review the mini-kit, click here.

WHERE TO BUY?

For Current Pricing ...See Link On Home Page for printable Manufacturers Suggested List Price Sheet.
Prices may vary at different locations.

2 Year Warranty