Model: SS-F4:
Crimp-on connection
Model: SS-F4A:
Screw-on connection

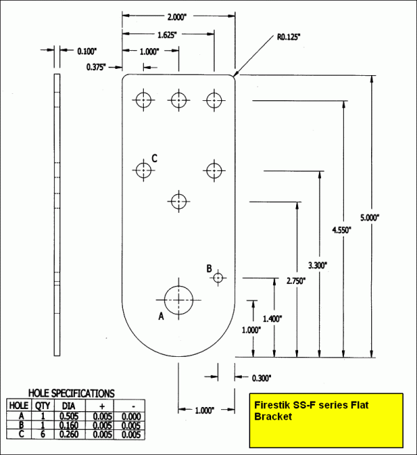
If your looking for a heavy-duty stainless steel flat mount ... look no more. These mounts offer numerous mounting options. The bracket is 2" (51mm) wide, 5" (127mm) long and 0.100" (2.5mm) thick stainless steel. There are four mounting holes and enough stainless steel hardware supplied to fill each one. The stud mount hole has a full 1" set back in case you want to replace the stud with one of our Dome Mounts. If you can find a flat spot on your vehicle that will set still long enough for you to drill a couple of holes in it, you'll end up with a great antenna mount.

Click here to see dimension details.

WHERE TO BUY?

For Current Pricing ...See Link On Home Page for printable Manufacturers Suggested List Price Sheet.
Prices may vary at different locations.

2 Year Warranty